TOSO 調光ロールスクリーンビジック・ラクーシュの商品仕様

ビジック
ビジックライト
-
全体図

-
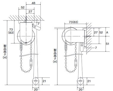
側面図単位=mm
天井付けの場合天井付けの場合、製品高さ(H)はブラケット上端からボトムレール下部までの寸法です。
正面付けの場合正面付けの場合、製品高さ(H)はローラーパイプ上端からボトムレール下部までの寸法です。
-

-
コードクリップ(カラー:ホワイト)コードやチェーンを子供の手が届かない位置で束ねておくクリップです。子供の手の届かない位置で束ねることにより事故を防止する効果があります。
-
製品幅とスクリーン幅

-
ブラケット

-

-

※高窓等製品高さよりも高い位置に取付ける場合は、別途チェーンの長さを10mm単位でご指定ください。
-
スクリーンの降ろし方
奥側の操作チェーンを引くとスクリーンが下がり、手を止めた位置で停止します。

-
スクリーンの上げ方
手前側の操作チェーンを引くとスクリーンが巻き上がり、手を止めた位置で停止します。

ビジックデコラ
-
全体図

-
側面図単位=mm

製品高さ(H)はブラケット上端からボトムレール下部までの寸法です。
-

-
コードクリップ(カラー:ホワイト)コードやチェーンを子供の手が届かない位置で束ねておくクリップです。子供の手の届かない位置で束ねることにより事故を防止する効果があります。
-
製品幅とスクリーン幅

-
ブラケット



※高窓等製品高さよりも高い位置に取付ける場合は、別途チェーンの長さを10mm単位でご指定ください。
-
スクリーンの降ろし方
手前側の操作チェーンを引くとスクリーンが下がり、手を止めた位置で停止します。

-
スクリーンの上げ方
奥側の操作チェーンを引くとスクリーンが巻き上がり、手を止めた位置で停止します。

ビジック小窓
-
全体図

-
側面図単位=mm
天井付けの場合天井付けの場合、製品高さ(H)はブラケット上端からボトムレール下部までの寸法です。
正面付けの場合正面付けの場合、製品高さ(H)はローラーパイプ上端からボトムレール下部までの寸法です。
-

-
コードクリップ(カラー:ホワイト)コードやチェーンを子供の手が届かない位置で束ねておくクリップです。子供の手の届かない位置で束ねることにより事故を防止する効果があります。
-
製品幅とスクリーン幅

-
ブラケット

-

-

※高窓等製品高さよりも高い位置に取付ける場合は、別途チェーンの長さを10mm単位でご指定ください。
-
スクリーンの降ろし方
奥側の操作チェーンを引くとスクリーンが下がり、手を止めた位置で停止します。

-
スクリーンの上げ方
手前側の操作チェーンを引くとスクリーンが巻き上がり、手を止めた位置で停止します。

ラクーシュ
ラクーシュライト
-

-
コードクリップ(カラー:ホワイト)コードやチェーンを子供の手が届かない位置で束ねておくクリップです。子供の手の届かない位置で束ねることにより事故を防止する効果があります。
-
天井付けの場合
正面付けの場合
-
- ※天井付けの場合、製品高さ(H)はブラケット上端からボトムレール下部までの寸法です。
- ※正面付けの場合、製品高さ(H)はローラーパイプ上端からボトムレール下部までの寸法です。
- ※製品高さはスクリーンが全閉状態で設定しています。
- ※スクリーンを巻き上げた状態では、ボトムレールは製品後方に収納されます。
- ※窓枠や壁面との接触を避けるため、天井付けの場合でもブラケット後方と窓枠(壁面)との間に48mm以上の隙間。
- ※調光時は製品高さ+8mmとなります。
-
スクリーンを
巻き上げた状態
調光状態の
スクリーン寸法目安
-
スクリーンを
巻き上げた状態
調光状態の
スクリーン寸法目安
-
製品幅とスクリーン幅

-
ブラケット



※高窓等製品高さよりも高い位置に取付ける場合は、別途チェーンの長さを10mm単位でご指定ください。
-
奥側の操作チェーンを引くとスクリーンが下がり、手を止めた位置で停止します。

-
手前側の操作チェーンを引くとスクリーンが巻き上がり、手を止めた位置で停止します。

-
ボトムレールが製品高さの位置に来るまでスクリーンを降ろした状態で奥側の操作チェーンを更に引くとスクリーンが開き調光状態になります。

-
調光状態の際に手前の操作チェーンを引くと、スクリーンが閉じます。さらに引き続けるとスクリーンが上がります。

※スクリーンを一番下まで降ろした状態でのみ、調光操作(スラット生地の開閉)ができます。昇降途中の生地は、常に全閉状態になりますのでご注意下さい。
ラクーシュデコラ
-

-
コードクリップ(カラー:ホワイト)コードやチェーンを子供の手が届かない位置で束ねておくクリップです。子供の手の届かない位置で束ねることにより事故を防止する効果があります。
-
天井付けの場合
正面付けの場合
-
スクリーンを
巻き上げた状態
調光状態の
スクリーン寸法目安
- ※ 製品高さ(H)はブラケット上端からボトムレール下部までの寸法です。
- ※ 製品高さはスクリーンが全閉状態で設定しています。
- ※ スクリーンを巻き上げた状態では、ボトムレールは製品後方に収納されます。
- ※ 調光時は製品高さ+8mmとなります。
-
製品幅とスクリーン幅

-
ブラケット



※高窓等製品高さよりも高い位置に取付ける場合は、別途チェーンの長さを10mm単位でご指定ください。
-
奥側の操作チェーンを引くとスクリーンが下がり、手を止めた位置で停止します。

-
手前側の操作チェーンを引くとスクリーンが巻き上がり、手を止めた位置で停止します。

-
ボトムレールが製品高さの位置に来るまでスクリーンを降ろした状態で奥側の操作チェーンを更に引くとスクリーンが開き調光状態になります。

-
調光状態の際に手前の操作チェーンを引くと、スクリーンが閉じます。さらに引き続けるとスクリーンが上がります。

※スクリーンを一番下まで降ろした状態でのみ、調光操作(スラット生地の開閉)ができます。昇降途中の生地は、常に全閉状態になりますのでご注意下さい。
巻径の目安
寸法関係図
-
ビジック

-
ラクーシュ


スクリーン分類表
巻径の寸法
寸法は計算値です。実際の寸法とは多少異なる場合があります。単位=mm




